材料試驗
1金屬材料表面質量
用目測法測定。
2塑材料老化性能試驗
橡塑材料經過下列試驗后,用目測法測定
a)在70℃士3℃環境中放置72h;
b)在-30℃士3℃環境中放置24h。
3材料阻燃性能試驗
按GB2626-2006中6.15.2、6.15.3的規定進行。
4包裝材料強度試驗
4.1抗跌落性能試驗
將帶包裝的攜帶型呼吸器(存放型呼吸器不做此項試驗)以不同方位角度從1.5m的高度墜落到
平整的混凝土地面6次。
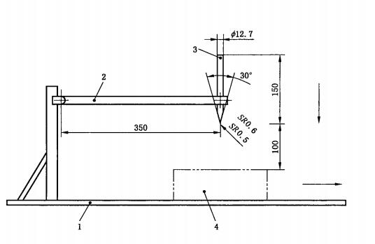
4.2包裝材料抗穿孔、撕裂性能試驗
試驗裝置如圖1所示,安裝臂和撞擊針水平自由釋放時的有效質量為100g。將單個包裝的呼吸器
放在試驗裝置上,使撞擊針釋放后能擊中呼吸器。調整撞擊針針尖至包裝表面距離為100m,釋放撞
擊針,讓撞擊針保持和包裝表面的接觸;按圖1中箭頭所示方向,把呼吸器輕快地拉出。再重復上述過
程兩次,使撞擊針擊中包裝表面不同的部位。


壓力單位的換算關系MPa,kPa,bar,psi
水壓與氣壓的壓縮率關系
水壓試驗與氣壓試驗的區別
|