一、試驗臺介紹
???????
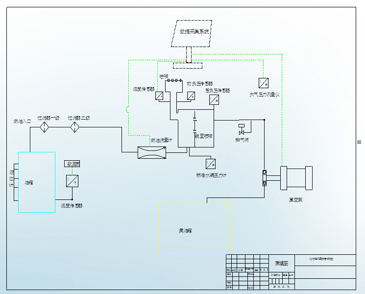
濟南思明特化油器綜合流量試驗臺用于檢測化油器流量,通過吸入空氣及燃油量的比值實現判斷被測件的性能,從而對試驗結果進行判斷,設備采用計算機控制,可實時顯示空氣流量-時間曲線,燃油量-時間曲線,以及空氣流量-燃油量曲線。參考標準JB/T5143-1991,QC/T65-93.
在實際應用中,化油器綜合流量試驗臺廣泛應用于化油器制造和檢測領域,有助于提升化油器的制造精度和性能,確保發動機的正常運行。同時,它也為化油器的研發和改進提供了有力的技術支持。
二、參考標準 ???????
參考標準JB/T5143-1991,QC/T65-93 ;
三、設備技術參數
試驗產品 |
化油器 |
空氣流量 |
0.25-90g/s |
燃油流量 |
0.013-6g/s |
負壓 |
-100kpa-0 |
流量精度 |
0.5%FS |
燃油流量精度 |
0.013g-6g/s |
空氣流量-時間曲線、燃油流量-時間曲線、空氣流量-燃油流量曲線 |
軟件實時顯示 |
打印報告 |
試驗完畢可以打印試驗報告并保存試驗數據 |
試驗數據保存 |
可以保存報告及excel測試表格,沒次采集的數據都可以保存下來 |

四、設備特點
產品名稱 |
化油器綜合流量試驗臺 |
產品型號 |
SUP_HYXT_3 |
基本原理 |
通過測量空氣流量、燃油消耗判斷化油器的性能 |
|
空氣流量范圍 |
0.25-90g/s |
空氣流量精度 |
±0.5% |
試驗介質 |
空氣、燃油 |
控制方式 |
計算機控制 |
操作方式 |
計算機操作 |
試樣數量 |
1路控制試驗壓力和試驗時間 |
試樣安裝方式 |
螺紋 |
結構組成 |
抽真空裝置,空氣流量測試,燃油流量測試,電器裝置,采集控制系統 |
適用范圍 |
化油器試驗 |

相關產品:

濟南思明特科技有限公司生產的水龍頭流量測試機用于檢測水龍頭在一定溫度、壓力情況下的水龍頭的流量特點,對判斷產品質量提供一定的依據。
靜壓壓力測試0.5-10mpa,低壓測試0.1-5bar。配置有變頻電機控制輸出水源壓力,并配置有增壓泵提供高壓壓力。
更多詳情請點擊:水龍頭流量測試機

濟南思明特科技有限公司研發的液壓離合器分離軸承流量測試試驗機主要用于液壓離合器的管路流量測試。本試驗機采用工業控制計算機+控制面板儀表系統+傳感器開關控制模式,對所有的開關量進行閉合監控,保證系統的安全可靠。
更多詳情請點擊:液壓離合器分離軸承流量測試試驗機
渦輪葉片是航空發動機的重要組件, 由于壓氣機葉片決定了總增壓比,而渦輪葉片的水平限制了渦輪前溫度。為了驗證空心葉片的各種技術性能是否達標,需要在葉片正式投入使用前對其內腔 進行壓力、流量等一系列試驗檢測工作。濟南思明特科技有限公司研發的渦輪葉片流量試驗器主要用于渦輪葉片的流量檢測。廣泛應用于航空發動機渦輪葉片生廠廠家的出廠測試及檢測單位。
更多詳情請點擊:渦輪葉片流量試驗器
liuliangshiyanji-l
其他產品:水冷板流阻試驗機主要用于水冷板的流阻試驗,由高壓泵進行打壓,通過計算機實現壓力控制。輸出試驗報告。廣泛應用于生產工廠、產品質量檢驗所、科研院校等單位對各種消防產品的生產檢驗和開發研究。

汽車濾清器試驗臺-濾清器的壓力降-流量特性試驗、與濾清效率和儲灰能力試驗

|