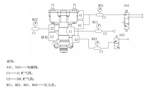
原理圖
按下表規定的試驗順序及試驗條件進行行車制動耐久性試驗。?
試驗項目 |
循環次數 |
試驗頻率 |
環境溫度?℃ |
氣源壓力 |
常溫耐久性 |
40×104 |
0.25 |
23±15 |

|
低溫耐久性 |
10×104 |
0.06 |
-40±2 |
高溫耐久性 |
10×104 |
0.13 |
80±2 |
常溫耐久性 |
40×104 |
0.25 |
23±15 |
各試驗項目的循環次數中, 輸出氣壓為額定輸出氣壓的循環次數與輸出氣壓為 0.25 倍額定輸出氣壓的循環次數之比為 1:6。
按下表規定的試驗順序及試驗條件進行停車制動耐久性試驗。
試驗項目 |
循環次數 |
試驗頻率 |
環境溫度?℃ |
氣源壓力 |
常溫耐久性 |
20×104 |
0.25 |
23±15 |

|
低溫耐久性 |
2.5×104 |
0.06 |
-40±2 |
高溫耐久性 |
2.5×104 |
0.13 |
80±2 |
試驗過程中,注意觀察樣品是否發生阻滯和卡死等異常情況,各連接件有無松動情況,各零件有無影響功能的變形和損壞。?
?
標簽:試驗,檢測

|